Lazimnya gerhana matahari tak boleh ditonton dengan mata telanjang, namun karena Payne tak memiliki kacamata, ia lantas meminjam kacamata dari seorang wanita di dekatnya yang terlihat tak berminat menonton. Kabarnya itu juga kacamata pinjaman.
Ia langsung memakai kacamata itu selama 15-20 detik. Payne sebenarnya tidak tahu seperti apa kacamata gerhana itu, dan yang ia ingat hanyalah matahari tampak terik sepertinya ia menonton tanpa memakai kacamata.
ADVERTISEMENT
SCROLL TO CONTINUE WITH CONTENT
Begitu selesai, gadis berusia 26 tahun itu mengembalikan kacamata tersebut dan berlalu. Enam jam kemudian, Payne melihat titik gelap yang aneh di tengah matanya. Tetapi keluarga dan teman-temannya memintanya menunggu satu hari sebelum memeriksakannya.
Namun keesokan harinya, penglihatan di mata kiri Payne hilang. Ia langsung bergegas ke IGD di sebuah rumah sakit di Staten Island. Tetapi karena Payne tampak baik-baik saja, tim medis yang bertugas enggan menangani keluhannya.
Seorang temannya lantas menyarankan agar Payne pergi ke Mount Sinai Hospital, New York, atau dua hari setelah menonton gerhana matahari. Setelahnya, Payne dirujuk ke New York Eye and Ear Infirmary of Mount Sinai.
Kedua mata Payne didiagnosis mengalami solar retinopathy, yaitu kerusakan pada retina akibat terpapar radiasi sinar matahari. Hanya saja kerusakannya dominan di mata kiri, sedangkan kerusakan di mata kanannya masih dapat tertangani.
Foto: JAMA Ophthalmology |
Baca juga: Nekat Lihat Matahari, Gadis 12 Tahun Alami Kerusakan Mata Permanen
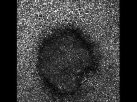
Yang menarik adalah ketika tim dokter menggunakan teknologi baru bernama 'adaptive optics machine' untuk melihat seperti apa kerusakan yang dialaminya di level seluler. Ternyata sel-sel di retina Payne yang mengalami kerusakan tampak berbentuk bulan sabit juga.
"Ini mengingatkan kami saat ada pasien dengan kasus yang sama, kami minta mereka menggambarnya dan mereka menggambar bulan sabit. Ini sesuai dengan bentuk matahari yang memapari mereka sebelumnya. Tapi hal semacam ini tidak pernah bisa dilihat sebelumnya," ungkap Dr Avnish Deobhakta, dokter sekaligus penulis kasus ini.
Tim dokter meyakini penyebabnya adalah kacamata yang dipakai Payne untuk menonton gerhana matahari, yang tidak sesuai standar keamanan.
Kondisi semacam ini tidak ada obatnya, tetapi ini bisa membaik dengan sendirinya atau malah memburuk. Sayangnya solar retinopathy bersifat permanen.
Baca juga: Jelang Gerhana Matahari, Ini Pesan Menkes Nila Terkait Kesehatan Mata
Kini Payne masih kesulitan untuk melakukan aktivitas sederhana seperti membaca, mengemudi dan menonton TV atau film di bioskop. Ia bisa melakukannya tetapi menggunakan mata kanan sebagai mata dominan memerlukan usaha lebih, semisal posisinya harus lebih dekat ke TV.
Payne juga dipakaikan kacamata untuk membantu meredam cahaya yang selalu tampak terang baginya, bahkan di malam hari sekalipun. "Sejauh ini rasanya seperti mimpi buruk dan terkadang membuatku sangat sedih, terutama ketika aku memejamkan mata, tapi ini bisa jadi lebih buruk, jadi aku hanya perlu bersyukur," tuturnya.
Januari mendatang Payne akan kembali ke Mount Sinai untuk melakukan pemeriksaan lanjutan. (lll/fds)












































Foto: JAMA Ophthalmology